Voor Installatiebedrijf;


Het aanwezig zijn van installatietekeningen is een must voor de installateur. Of u nu nieuwe installaties aanlegt of reparaties uitvoert voor de HVAC, waterleiding of elektrotechniek; plattegrondtekeningen, werktekeningen, revisietekeningen, het is vaak de leidraad om uw werk te kunnen uitvoeren of hulpmiddel bij het calculeren t.b.v. begrotingen.



















































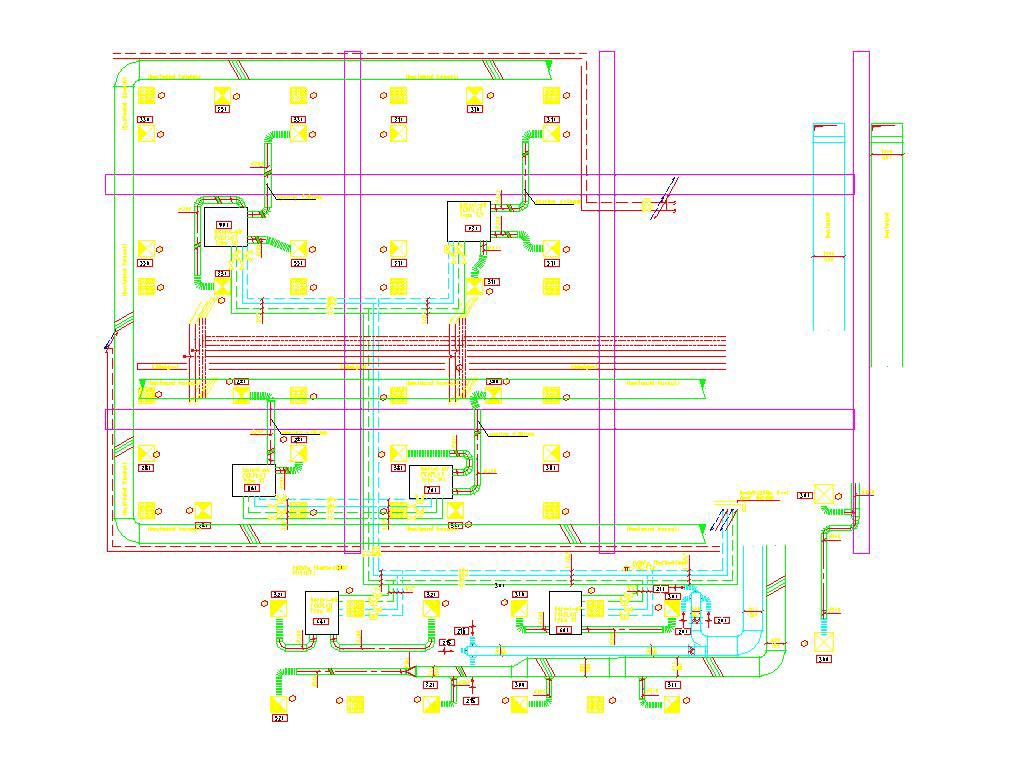
                                                                                                      HVAC installatietekening


COMP
TEK TEKENBURO & VASTGOEDBEHEER verzorgt inmiddels voor aannemers en installatiebedrijven elektrotechnisch-, bouwkundig- en installatietechnisch tekenwerk als gevolg van verbouwingen, renovaties of herbestemmingen van panden. Tevens fungeren wij als onderaannemer voor diverse onderhoudswerkzaamheden.

Kleinere aannemers of installateurs verrichten vaak de werkzaamheden zonder revisiewerk af te leveren op hun gedane werkzaamheden.

COMPTEK TEKENBURO & VASTGOEDBEHEER kan de revisie van documenten verzorgen.

Neem contact met ons op over de mogelijkheden en redelijke prijsstellingen.



 
TEKENBURO & VASTGOEDBEHEER